È«²¿²úÆ··ÖÀà
¼¯³Éµç·IC
- ÓÅÊÆ²úÆ·
- Chipown/оÅó΢
- оÅóµç»úÇý¶¯Ð¾Æ¬
- SLAN/Ê¿À¼Î¢
- CR/Æô³¼Î¢
- FM/¸»ÂúϵÁÐ
- SF/ÈüÍþоƬ
- XL/оÁúϵÁÐ
- LW/æê΢
³¡Ð§Ó¦¹Ü/MOS/IGBT
¶þ¼«¹Ü
Èý¼«¹Ü
ÍÆ¼ö²úÆ·
ÁªÏµÎÒÃÇ
ÉîÛÚÊÐæê΢µç×ӿƼ¼ÓÐÏÞ¹«Ë¾
µç»°£º0755-23087599
ÊÖ»ú£º13808858392
ÓÊÏ䣺dunianhua@leweitech.com
µØÖ·£ºÉîÛÚÊб¦°²ÇøÎ÷Ïçº×ÖÞºã·á¹¤Òµ³ÇB11¶°5Â¥¶«
hc5703cÎÞÏß³äоƬ
ËùÊô·ÖÀࣺÎÞÏß³äоƬ
Æ·ÅÆ£º»Ý¶ûÎÞÏß
Ðͺţºhc5703c
·â×°£ºTSSOP20
¹¦ÂÊ£ºÖ§³Ö7.5W ¼æÈÝ10W
µçÁ÷£º¿ØÖÆÊä³ö¹¦ÂÊ×î¸ß¿É´ï15W
Ðͺţºhc5703c
·â×°£ºTSSOP20
¹¦ÂÊ£ºÖ§³Ö7.5W ¼æÈÝ10W
µçÁ÷£º¿ØÖÆÊä³ö¹¦ÂÊ×î¸ß¿É´ï15W
¶©¹ºÈÈÏߣº0755-23087599
¡¡¡¡hc5703CÎÞÏß³äоƬ¸ÅÊö¡¡¡¡
¡¡¡¡HC5703C ÊÇÒ»¿îÎÞÏß³äµçרÓÃIC¡£¿ØÖÆÊä³ö¹¦ÂÊ×î¸ß¿É´ï15W¡£ÓµÓÐÍêÉÆµÄ±£»¤µç·£¬ÏȽøµÄËã·¨¡¢³¬¸ßµÄЧÂʺÍÁ¼ºÃµÄ¼æÈÝÐÔ£¬ÊÊÓÃÓÚÎȶ¨ÐÔÒªÇó½Ï¸ßµÄ²úÆ·¡£
¡¡¡¡
¡¡¡¡hc5703CÎÞÏß³äÐ¾Æ¬ÌØµã¡¡¡¡
¡¡¡¡¡ö Ö§³ÖWPC Qi 1.2.4 ¼°ÒÔϰ汾ÎÞÏß³äÐÒé
¡¡¡¡¡ö Ö§³Ö7.5W ¼æÈÝ10W¡¡¡¡
¡¡¡¡¡ö ×î¸ß¿É´ï83% µÄ³äµçЧÂÊ¡¡¡¡
¡¡¡¡¡ö Á¼ºÃµÄ¼æÈÝÐÔ£¬¿ÉÖ§³ÖTi¡¢IDT¡¢PANASONIC µÈQi ±ê×¼µÄ½ÓÊÕÆ÷¡¡¡¡
¡¡¡¡¡ö µçÔ´¶¯Ì¬¿ØÖÆ£¨DPL£©£¬¼æÈÝ5V2A¡¢QC2.0¡¢QC3.0¡¢DC5V µÈÊÊÅäÆ÷¡¡¡¡
¡¡¡¡¡ö ζȶ¯Ì¬¿ØÖÆ£¨TPL£©£¬¿ØÖÆÉ豸½ÏµÍζÈÔËÐС¡¡¡
¡¡¡¡¡ö ÔÊÐíʹÓÃX7R ÀàÐÍ¡¢CBB µçÈÝÆ÷ÒÔ¼õÉٳɱ¾¡¡¡¡
¡¡¡¡¡ö 2¸ö·¢¹â¶þ¼«¹Ü£¬¿ÉÑ¡Ôñ¶àÖÖģʽָʾ¡¡¡¡
¡¡¡¡¡ö ¹ýÁ÷¡¢¹ýѹ¡¢¹ýΡ¢ÒìÎï¼ì²â±£»¤¡£
¡¡¡¡
¡¡¡¡hc5703CÎÞÏß³äоƬTSSOP20Òý½ÅÅäÖü°ÃèÊö

¡¡¡¡
¡¡¡¡hc5703CÎÞÏß³äоƬ¼«ÏÞ²ÎÊý

¡¡¡¡
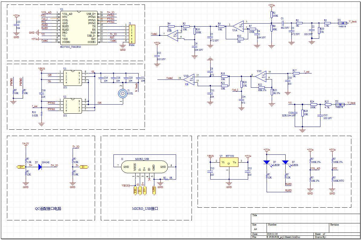
¡¡¡¡hc5703CÎÞÏß³äоƬ²Î¿¼µç·ͼ

¡¡¡¡
¡¡¡¡¸ü¶àhc5703CÎÞÏß³äоƬ²úÆ·µÄÏêϸÊÖ²á»òÆäËû×ÊÁÏ£¬ÇëÏòÎÒÃÇÉêÇë¡£>>
°¢Àï°Í°ÍµêÆÌ
¹Ø×¢æê΢
ÊÕ²Øæê΢










