È«²¿²úÆ··ÖÀà
¼¯³Éµç·IC
- ÓÅÊÆ²úÆ·
- Chipown/оÅó΢
- оÅóµç»úÇý¶¯Ð¾Æ¬
- SLAN/Ê¿À¼Î¢
- CR/Æô³¼Î¢
- FM/¸»ÂúϵÁÐ
- SF/ÈüÍþоƬ
- XL/оÁúϵÁÐ
- LW/æê΢
³¡Ð§Ó¦¹Ü/MOS/IGBT
¶þ¼«¹Ü
Èý¼«¹Ü
ÍÆ¼ö²úÆ·
ÁªÏµÎÒÃÇ
ÉîÛÚÊÐæê΢µç×ӿƼ¼ÓÐÏÞ¹«Ë¾
µç»°£º0755-23087599
ÊÖ»ú£º13808858392
ÓÊÏ䣺dunianhua@leweitech.com
µØÖ·£ºÉîÛÚÊб¦°²ÇøÎ÷Ïçº×ÖÞºã·á¹¤Òµ³ÇB11¶°5Â¥¶«
AP2952A 2A 18V ͬ²½ÕûÁ÷½µÑ¹×ª»»Æ÷
ËùÊô·ÖÀࣺChipown/оÅó΢
Æ·ÅÆ£ºÐ¾Åó΢
ÐͺţºAP2952AS8PRG
·â×°£ºSOP8-PP
¹¦ÂÊ£º4.75V-18V
µçÁ÷£º2A
ÐͺţºAP2952AS8PRG
·â×°£ºSOP8-PP
¹¦ÂÊ£º4.75V-18V
µçÁ÷£º2A
¶©¹ºÈÈÏߣº0755-23087599
¡¡¡¡AP2952AÊÇÒ»¿îµ¥Æ¬Í¬²½ÕûÁ÷½µÑ¹ÎÈѹÆ÷£¬Ëü¼¯³ÉÁ˵¼Í¨×迹130mΩµÄMOSFET£¬¿ÉÒÔÔںܿíµÄÊäÈëµçѹ·¶Î§£¨4.75V-18V£©ÄÚÌṩ2AµÄ¸ºÔØÄÜÁ¦¡£µçÁ÷ģʽ¿ØÖÆÊ¹Æä¾ßÓкܺõÄ˲̬ÏìÓ¦ºÍµ¥ÖÜÆÚÄÚµÄÏÞÁ÷¹¦ÄÜ¡£¿Éµ÷µÄÈíÆô¶¯Ê±¼äÄܱÜÃ⿪Æô˲¼äµÄ³å»÷µçÁ÷£¬ÔÚÍ£»úģʽÏ£¬ÊäÈëµçÁ÷СÓÚ1uA¡£¡¡¡¡
¡¡¡¡AP2952A 2A, 18V ͬ²½ÕûÁ÷½µÑ¹×ª»»Æ÷·âװΪSOP8-PP£¬Í¬Ê±ÌṩÁ˽ô´ÕµÄϵͳ·½°¸£¬¿ÉÒÔ×î´óÏ޶ȵļõÉÙÍâΧԪ¼þ¡£
¡¡¡¡
¡¡¡¡AP2952Ð¾Æ¬ÌØÐÔ¡¡¡¡
¡¡¡¡¡ö 2AÊä³öµçÁ÷¡¡¡¡
¡¡¡¡¡ö ÊäÈëµçѹ·¶Î§4.75Vµ½18V¡¡¡¡
¡¡¡¡¡ö ÄÚ²¿¼¯³É130mΩµÄ¹¦ÂÊMOSFET¡¡¡¡
¡¡¡¡¡ö Êä³ö¿Éµ÷·¶Î§Îª0.925Vµ½15V¡¡¡¡
¡¡¡¡¡ö ЧÂʿɴï95%¡¡¡¡
¡¡¡¡¡ö ¿Éµ÷ÈíÆô¶¯Ê±¼ä¡¡¡¡
¡¡¡¡¡ö ÍâΧʹÓõÍESR´ÉƬµçÈݿɱ£Ö¤ÆäÎȶ¨¹¤×÷¡¡¡¡
¡¡¡¡¡ö ¹Ì¶¨µÄ450kHz¹¤×÷ƵÂÊ¡¡¡¡
¡¡¡¡¡ö ÿ¸öÖÜÆÚÄÚ¶¼ÓÐÏÞÁ÷¹¦ÄÜ¡¡¡¡
¡¡¡¡¡ö ¾ßÓÐǷѹ±£»¤¹¦ÄÜ¡¡¡¡
¡¡¡¡¡ö É¢ÈÈÄÜÁ¦½ÏÇ¿µÄSOP8-PP·â×°
¡¡¡¡
¡¡¡¡·â×°Òý½ÅÃèÊö

| Òý½ÅÐòºÅ | Òý½ÅÃû³Æ | Òý½ÅÃèÊö |
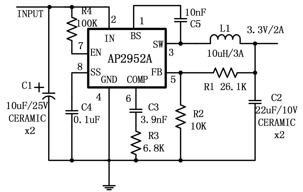
| 1 | BS | ÉϹÜÕ¤¼«Çý¶¯ÉýѹÊäÈë¡£BSΪÉϹÜN¹µµÀMOSFET¿ª¹ØÌṩÇý¶¯¡£´ÓSWµ½BS¶ËÁ¬½ÓÒ»¸ö0.01uF»ò¸ü´óµÄµçÈÝ¡£ |
|
2 |
IN |
µçÔ´ÊäÈ롣ΪICÒÔ¼°½µÑ¹×ª»»Æ÷¿ª¹ØÌṩÊäÈëµçÔ´¡£ÔÚ4.75VÖÁ18VµÄµçѹ·¶Î§Çý¶¯IN¡£Í¨¹ýÒ»¸öÊʵ±µÄ´óµçÈÝÅÔ·INµ½µØ£¬ÒÔÏû³ýÊäÈëICµÄÔëÉù¡£ |
| 3 | SW | ¹¦ÂÊ¿ª¹ØÊä³ö¡£SWΪ¿ª¹Ø½ÚµãÌṩµçÔ´Êä³ö¡£´ÓSW¶Ëµ½Êä³ö¸ºÔØÁ¬½ÓÊä³öLCÂ˲¨Æ÷¡£Çë×¢Ò⣬´ÓSWµ½BSÐèÒª½ÓÒ»¸öµçÈÝ¡£ |
| 4 | GND | µçÔ´µØ(Á¬½ÓÂ㶺¸Å̵½4Òý½Å)¡£ |
| 5 | FB | ·´À¡ÊäÈë¶Ë¡£FB¸ÐÓ¦Êä³öµçѹÀ´µ÷½ÚÕâ¸öµçѹ¡£Í¨¹ýÀ´×ÔÊä³öµçѹµÄÒ»¸öµç×è·ÖѹÆ÷Çý¶¯FB¡£·´À¡ãÐÖµµçѹÊÇ0.925V¡£ |
|
6 |
COMP |
²¹³¥½Úµã¡£COMPÓÃÀ´²¹³¥µ÷½Ú¿ØÖÆ»ØÂ·¡£´ÓCOMP½Åµ½GNDÁ¬½ÓÒ»¸öRCÍøÂçÀ´²¹³¥µ÷½Ú¿ØÖÆ»ØÂ·¡£ÔÚijЩÇé¿öÏ£¬´ÓCOMPµ½GNDÖ®¼ä±ØÐë½ÓÒ»¸ö¶îÍâµÄµçÈÝ¡£ |
|
7 |
EN |
ʹÄÜÊäÈë¶Ë¡£ENΪÊý×ÖÊäÈ룬´ò¿ª»ò¹Ø±Õµ÷½ÚÆ÷¡£Çý¶¯EN¶Ë±ä¸ß´ò¿ªµ÷½ÚÆ÷£¬Çý¶¯Ëü±äµÍ¹Ø±Õµ÷½ÚÆ÷£¬×Ô¶¯Æô¶¯Ê±Ðè¼Ó100 kΩÉÏÀµç×è¡£ |
|
8 |
SS |
ÈíÆô¶¯¿ØÖÆÊäÈë¡£SS¿ØÖÆÈíÆô¶¯Ê±¼ä¡£´ÓSSµ½GNDÁ¬½ÓÒ»¸öµçÈÝ£¬ÓÃÀ´ÉèÖÃÈíÆô¶¯Ê±¼ä¡£Ò»¸ö0.1μFµçÈÝÉèÖÃÈíÆô¶¯Ê±¼äΪ15mS¡£Òª½ûÓÃÈíÆô¶¯¹¦ÄÜ£¬¾Í²»Á¬½ÓSS¡£ |
¡¡¡¡
¡¡¡¡µäÐÍÓ¦Óõç·ͼ

¡¡¡¡
¡¡¡¡Ó¦ÓÃÁìÓò¡¡¡¡
¡¡¡¡¡ö ·ÖÁ¢Ê½µçԴϵͳ¡¡¡¡
¡¡¡¡¡ö ÍøÂçϵͳ¡¡¡¡
¡¡¡¡¡ö FPGA, DSP, ASICµçÔ´¡¡¡¡
¡¡¡¡¡ö ÂÌÉ«µç×Ó²úÆ·¡¡¡¡
¡¡¡¡¡ö ±Ê¼Ç±¾µçÄÔ
¡¡¡¡
¡¡¡¡AP2952AÊÇÒ»¿îͬ²½ÕûÁ÷£¬µçÁ÷ģʽ£¬½µÑ¹ÎÈѹÆ÷¡£Ëüµ÷½Ú´Ó 4.75Vµ½ 18VµÄÊäÈëµçѹϵÄÊä³öµçѹ¿ÉÒÔµÍÖÁ0.925V£¬¹©Ó¦×î´ó¸ºÔصçÁ÷Ϊ 2A£¬¸ü¶àAP2952оƬ2A, 18V ͬ²½ÕûÁ÷½µÑ¹×ª»»Æ÷£¬²úÆ·ÊֲᡢµçÆøÌØÐÔµÈ×ÊÁÏÇëÏòÎÒÃÇÉêÇë¡£>>
°¢Àï°Í°ÍµêÆÌ
¹Ø×¢æê΢
ÊÕ²Øæê΢










