È«²¿²úÆ··ÖÀà
¼¯³Éµç·IC
- ÓÅÊÆ²úÆ·
- Chipown/оÅó΢
- оÅóµç»úÇý¶¯Ð¾Æ¬
- SLAN/Ê¿À¼Î¢
- CR/Æô³¼Î¢
- FM/¸»ÂúϵÁÐ
- SF/ÈüÍþоƬ
- XL/оÁúϵÁÐ
- LW/æê΢
³¡Ð§Ó¦¹Ü/MOS/IGBT
¶þ¼«¹Ü
Èý¼«¹Ü

ÍÆ¼ö²úÆ·
ÁªÏµÎÒÃÇ

ÉîÛÚÊÐæê΢µç×ӿƼ¼ÓÐÏÞ¹«Ë¾
µç»°£º0755-23087599
ÊÖ»ú£º13808858392
ÓÊÏ䣺dunianhua@leweitech.com
µØÖ·£ºÉîÛÚÊб¦°²ÇøÎ÷Ïçº×ÖÞºã·á¹¤Òµ³ÇB11¶°5Â¥¶«
PN8680M 12WԱ߷´À¡µÍ¹¦ºÄµçԴоƬ
ËùÊô·ÖÀࣺChipown/оÅó΢
Æ·ÅÆ£ºÐ¾Åó΢
ÐͺţºPN8680MSEC-R1
·â×°£ºSOP-8
¹¦ÂÊ£º12W
µçÁ÷£º1A
ÐͺţºPN8680MSEC-R1
·â×°£ºSOP-8
¹¦ÂÊ£º12W
µçÁ÷£º1A
¶©¹ºÈÈÏߣº0755-23087599
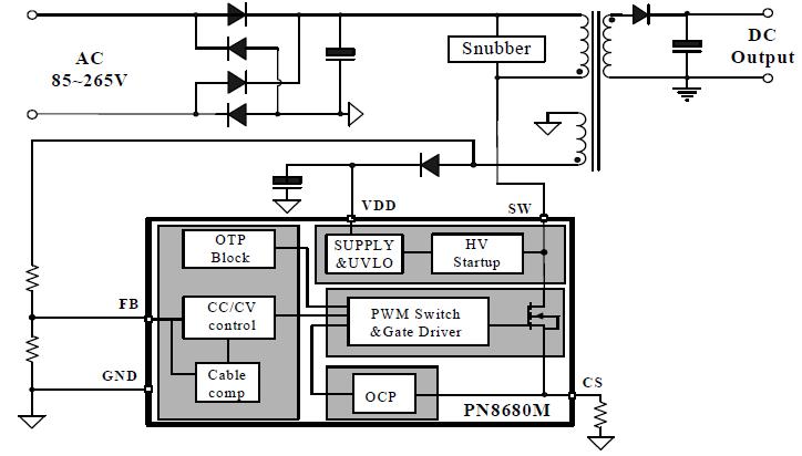
¡¡¡¡PN8680M¸ÅÊö£º¡¡¡¡
¡¡¡¡PN8680MԱ߷´À¡µÍ¹¦ºÄµçԴоƬ¼¯³É³¬µÍ´ý»ú¹¦ºÄԱ߿ØÖÆÆ÷¼°650V¸ßÑ©±ÀÄÜÁ¦ÖÇÄܹ¦ÂÊMOSFET£¬ÓÃÓÚ¸ßÐÔÄÜ¡¢ÍâΧԪÆ÷¼þ¾«¼òµÄ³äµçÆ÷¡¢ÊÊÅäÆ÷ºÍÄÚÖõçÔ´¡£PN8680MΪԱ߷´À¡¹¤×÷ģʽ£¬¿ÉÊ¡ÂÔ¹âñîºÍTL431¡£PN8680µÍ¹¦ºÄµçԴоƬÄÚÖøßѹÆô¶¯µç·£¬¿ÉʵÏÖоƬ¿ÕÔØËðºÄ£¨230VAC£©Ð¡ÓÚ50mW¡£ÔÚºãѹģʽ£¬²ÉÓöàģʽ¼¼ÊõÌá¸ßЧÂʲ¢Ïû³ýÒôƵÔëÉù£¬Ê¹µÃϵͳÂú×ã6¼¶ÄÜЧ±ê×¼£¬¿Éµ÷Êä³öÏß²¹³¥¹¦ÄÜÄÜʹϵͳ»ñµÃ½ÏºÃµÄ¸ºÔص÷ÕûÂÊ£»ÔÚºãÁ÷ģʽ£¬Êä³öµçÁ÷ºÍ¹¦ÂÊ¿Éͨ¹ýCS½ÅµÄµç×è½øÐе÷½Ú¡£¸ÃоƬÌṩÁ˼«ÎªÈ«ÃæµÄÖÇÄܱ£»¤¹¦ÄÜ£¬°üº¬ÖðÖÜÆÚ¹ýÁ÷±£»¤¡¢¹ýѹ±£»¤¡¢¿ª»·±£»¤¡¢¹ýα£»¤¡¢Êä³ö¶Ì·±£»¤ºÍCS¿ª/¶Ì·±£»¤µÈ¡£
¡¡¡¡
¡¡¡¡PN8680M²úÆ·ÌØÕ÷£º¡¡¡¡
¡¡¡¡¡ö ÄÚÖÃ650V¸ßÑ©±ÀÄÜÁ¦ÖÇÄܹ¦ÂÊMOSFET¡¡¡¡
¡¡¡¡¡ö ÄÚÖøßѹÆô¶¯µç·£¬Ð¡ÓÚ50mW¿ÕÔØËðºÄ£¨230VAC£©¡¡¡¡
¡¡¡¡¡ö ²ÉÓöàģʽ¼¼ÊõÌá¸ßЧÂÊ£¬Âú×ã6¼¶ÄÜЧ±ê×¼¡¡¡¡
¡¡¡¡¡ö È«µçѹÊäÈ뷶Χ±5%µÄCC/CV¾«¶È¡¡¡¡
¡¡¡¡¡ö Ա߷´À¡¿ÉÊ¡¹âñîºÍTL431¡¡¡¡
¡¡¡¡¡ö ºãѹ¡¢ºãÁ÷¡¢Êä³öÏß²¹³¥Íⲿ¿Éµ÷¡¡¡¡
¡¡¡¡¡ö ÎÞÐè¶îÍâ²¹³¥µçÈÝ¡¡¡¡
¡¡¡¡¡ö ÎÞÒôƵÔëÉù¡¡¡¡
¡¡¡¡¡ö ÖÇÄܱ£»¤¹¦ÄÜ¡¡¡¡
¡¡¡¡ ¹ýα£»¤ (OTP)¡¡¡¡
¡¡¡¡ VDDǷѹ&¹ýѹ±£»¤ (UVLO&OVP)¡¡¡¡
¡¡¡¡ ÖðÖÜÆÚ¹ýÁ÷±£»¤ (OCP)¡¡¡¡
¡¡¡¡ CS¿ª/¶Ì·±£»¤ (CS O/SP£©¡¡¡¡
¡¡ ¿ª»·±£»¤ (OLP)
¡¡¡¡
¡¡¡¡PN8680M·â×°/¶©¹ºÐÅÏ¢£º
¡¡

¡¡¡¡×¢£ºPN8680MԱ߷´À¡µÍ¹¦ºÄµçԴоƬ×î´óÊä³ö¹¦ÂÊÊÇÔÚ»·¾³Î¶È45¡æµÄÃܱÕʽӦÓÃÇéÐÎϲâÊÔ¡£
¡¡¡¡
¡¡¡¡PN8680M¹Ü½Å¶¨Òå:
¡¡¡¡
¹Ü½ÅÃû | ¹Ü½Å±êºÅ | ¹Ü½Å¹¦ÄÜÃèÊö |
VDD | 1 | ¹¤×÷µçѹÊäÈëÒý½Å |
GND | 2 | µØµçλ |
FB | 3 | ·´À¡Òý½Å£¬¸¨ÖúÈÆ×éµçѹͨ¹ýµç×è·´À¡Îȶ¨Êä³ö |
CS | 4 | µçÁ÷¼ì²âÒý½Å |
SW | 5,6,7,8 | ÖÇÄܹ¦ÂÊMOSFET Drain¶ËÒý½Å£¬¸ú±äѹÆ÷³õ¼¶ÏàÁ¬ |
¡¡¡¡PN8680MµäÐÍÓ¦Óõç·ͼ£º

¡¡¡¡
¡¡¡¡PN8680M¼«ÏÞ¹¤×÷·¶Î§£º¡¡¡¡
¡¡¡¡VDD ½ÅÄÍѹ……………….……………………-0.3~40V¡¡¡¡
¡¡¡¡FBCS ½ÅÄÍѹ………………...……….…………-0.3~5.5V¡¡¡¡
¡¡¡¡SW ½ÅÄÍѹ……………………….…….…..…. -0.3~650V¡¡¡¡
¡¡¡¡½á¹¤×÷ζȷ¶Î§……….…..….…..…...….….-40~150¡æ¡¡¡¡
¡¡¡¡´æ´¢Î¶ȷ¶Î§………………………....…. ….-55~150¡æ¡¡¡¡
¡¡¡¡¹Ü½Åº¸½ÓÎÂ¶È £¨10Ã룩……………..……………...260¡æ¡¡¡¡
¡¡¡¡·â×°ÈÈ×èRθJC £¨SOP-8£©…...........……………….80¡æ/W¡¡¡¡
¡¡¡¡ÈËÌåģʽESD ÄÜÁ¦(1)£¨HBM£©……..…...….……... ±4kV¡¡¡¡
¡¡¡¡Â©¼«Âö³åµçÁ÷£¨Tpulse=100us£©………….…….…..…..…3A
¡¡¡¡PN8680MÓ¦ÓÃÁìÓò£º¡¡¡¡
¡¡¡¡¡ö ¿ª¹ØµçÔ´ÊÊÅäÆ÷¡¡¡¡
¡¡¡¡¡ö µç³Ø³äµçÆ÷¡¡¡¡
¡¡¡¡¡ö »ú¶¥ºÐµçÔ´
¡¡¡¡
¡¡¡¡Èç¹ûÐèÒªPN8680M 12WԱ߷´À¡µÍ¹¦ºÄµçԴоƬ²ÎÊýºÍ²úÆ·ÏêϸÊֲἰ¹æ¸ñÊé»òÆäËû×ÊÁÏ£¬ÇëÁªÏµÎÒÃÇÔÚÏ߿ͷþÏòÎÒÃÇÉêÇë¡£>>