È«²¿²úÆ··ÖÀà
¼¯³Éµç·IC
- ÓÅÊÆ²úÆ·
- Chipown/оÅó΢
- оÅóµç»úÇý¶¯Ð¾Æ¬
- SLAN/Ê¿À¼Î¢
- CR/Æô³¼Î¢
- FM/¸»ÂúϵÁÐ
- SF/ÈüÍþоƬ
- XL/оÁúϵÁÐ
- LW/æê΢
³¡Ð§Ó¦¹Ü/MOS/IGBT
¶þ¼«¹Ü
Èý¼«¹Ü
ÍÆ¼ö²úÆ·
ÁªÏµÎÒÃÇ
ÉîÛÚÊÐæê΢µç×ӿƼ¼ÓÐÏÞ¹«Ë¾
µç»°£º0755-23087599
ÊÖ»ú£º13808858392
ÓÊÏ䣺dunianhua@leweitech.com
µØÖ·£ºÉîÛÚÊб¦°²ÇøÎ÷Ïçº×ÖÞºã·á¹¤Òµ³ÇB11¶°5Â¥¶«
PN8306 ͬ²½ÕûÁ÷¿ØÖÆic
ËùÊô·ÖÀࣺChipown/оÅó΢
Æ·ÅÆ£ºÐ¾Åó΢
ÐͺţºPN8306
·â×°£ºSOP-8
¹¦ÂÊ£º 12W
µçÁ÷£º2.4A
ÐͺţºPN8306
·â×°£ºSOP-8
¹¦ÂÊ£º 12W
µçÁ÷£º2.4A
¶©¹ºÈÈÏߣº0755-23087599
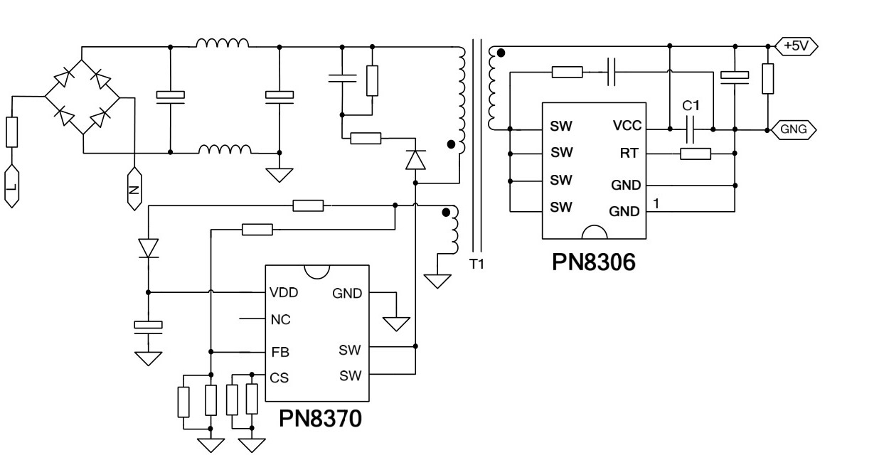
¡¡¡¡PN8306²úÆ·ÃèÊö£º
¡¡¡¡PN8306°üÀ¨Í¬²½ÕûÁ÷¿ØÖÆÆ÷¼°NÐ͹¦ÂÊMOSFET£¬ÓÃÓÚÔÚ¸ßÐÔÄÜ·´¼¤ÏµÍ³ÖÐÌæ´ú´Î¼¶ÕûÁ÷Ð¤ÌØ»ù¶þ¼«¹Ü¡£PN8306ͬ²½ÕûÁ÷¿ØÖÆicÄÚÖõçѹ½µ¼«µÍµÄ¹¦ÂÊMOSFETÒÔÌá¸ßµçÁ÷Êä³öÄÜÁ¦£¬ÌáÉýת»»Ð§Âʲ¢½µµÍоƬζȡ£
¡¡¡¡PN8306´¦ÓÚ¿ª¹Ø¹¤×÷ģʽ£¬Ö»ÊÊÓÃÓÚDCMºÍQR¹¤×÷ģʽµÄ¿ª¹ØµçԴϵͳ¡£µ±Ð¾Æ¬¼ì²âµ½V SW <-400mV£¬¿ØÖÆÆ÷Çý¶¯¹¦ÂÊMOSFET¿ªÆô£»µ±Ð¾Æ¬¼ì²âµ½¹¦ÂÊMOSFETÁ÷¹ýµÄµçÁ÷½µµÍµ½ãÐÖµ-10mVʱ£¬¿ØÖÆÆ÷Çý¶¯¹¦ÂÊMOSFET¹Ø±Õ¡£¸ÃоƬÌṩÁ˼«ÎªÈ«ÃæµÄ¸¨Öú¹¦ÄÜ£¬°üº¬Êä³öǷѹ±£»¤¡¢Êä³ö¹ýѹǯλµÈ¹¦ÄÜ¡£
¡¡¡¡PN8306²úÆ·ÌØµã£º
¡¡¡¡ÄÚÖÃ13mT86; 40V Trench MOSFET
¡¡¡¡ÊÊÓÃÓÚDCMºÍQR¹¤×÷ģʽ
¡¡¡¡¸ß¾«¶È´Î¼¶µçÁ÷¼ì²âµç·
¡¡¡¡Í¨¹ýRT½ÅÍâÖõç×è¿ÉÒÔÁé»îÉèÖÃTonmin
¡¡¡¡ÓÅÒìÈ«ÃæµÄ¸¨Öú¹¦ÄÜ
¡¡¡¡ Ƿѹ±£»¤
¡¡¡¡ ¹ýѹǯλ
PN8306·â×°/ ¶©¹ºÐÅÏ¢£º
PN8306·â×°/ ¶©¹ºÐÅÏ¢£º
¡¡¡¡PN8306µäÐÍÓ¦ÓÃͼ£º
°¢Àï°Í°ÍµêÆÌ
¹Ø×¢æê΢
ÊÕ²Øæê΢










