È«²¿²úÆ··ÖÀà
¼¯³Éµç·IC
- ÓÅÊÆ²úÆ·
- Chipown/оÅó΢
- оÅóµç»úÇý¶¯Ð¾Æ¬
- SLAN/Ê¿À¼Î¢
- CR/Æô³¼Î¢
- FM/¸»ÂúϵÁÐ
- SF/ÈüÍþоƬ
- XL/оÁúϵÁÐ
- LW/æê΢
³¡Ð§Ó¦¹Ü/MOS/IGBT
¶þ¼«¹Ü
Èý¼«¹Ü
ÍÆ¼ö²úÆ·
ÁªÏµÎÒÃÇ
ÉîÛÚÊÐæê΢µç×ӿƼ¼ÓÐÏÞ¹«Ë¾
µç»°£º0755-23087599
ÊÖ»ú£º13808858392
ÓÊÏ䣺dunianhua@leweitech.com
µØÖ·£ºÉîÛÚÊб¦°²ÇøÎ÷Ïçº×ÖÞºã·á¹¤Òµ³ÇB11¶°5Â¥¶«
PN8160_12v2a ³¬µÍ´ý»ú¹¦ºÄµçԴоƬ
ËùÊô·ÖÀࣺChipown/оÅó΢
Æ·ÅÆ£ºÐ¾Åó΢
ÐͺţºPN8160
·â×°£ºDIP8
¹¦ÂÊ£º24W
µçÁ÷£º1.5A
ÐͺţºPN8160
·â×°£ºDIP8
¹¦ÂÊ£º24W
µçÁ÷£º1.5A
¶©¹ºÈÈÏߣº0755-23087599
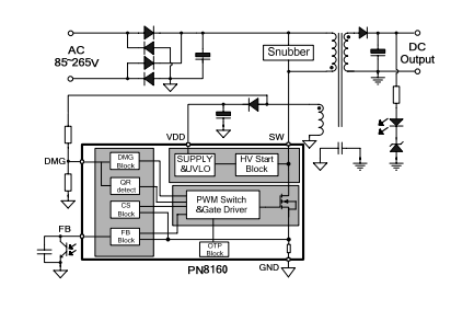
PN8160 ³¬µÍ´ý»ú¹¦ºÄµçԴоƬÄÚ²¿¼¯³ÉÁËÂö¿íµ÷ÖÆ¿ØÖÆÆ÷ºÍ¹¦ÂÊMOSFET£¬ÓÃÓÚ¸ßÐÔÄÜ¡¢ÍâΧԪÆ÷¼þ¾«¼òµÄ½»Ö±Á÷ת»»¿ª¹ØµçÔ´£¬¸ÃоƬÌṩÁ˼«ÎªÈ«ÃæºÍÐÔÄÜÓÅÓÅÒìµÄÖÇÄÜ»¯±£»¤¹¦ÄÜ£¬°üÀ¨ÖÜÆÚʽ¹ýÁ÷±£»¤£¬¹ýÔØ±£»¤£¬ÈíÆô¶¯¹¦ÄÜ¡£Í¨ÖªQR+CCMECO-modeBurst-modeµÄÈýÖÖģʽ»ìºÏµ÷ÖÆ¼¼ÊõºÍÌØÊâÆ÷¼þµÍ¹¦ºÄ½á¹¹¼¼ÊõʵÏÖÁ˳¬µÍµÄ´ý»ú¹¦ºÄ£¬È«µçѹ·¶Î§ÏµÄ×î¼ÑЧÂÊ¡£ÆµÂʵ÷ÖÆ¼¼ÊõºÍSoftDriver¼¼Êõ³ä·Ö±£Ö¤Á¼ºÃµÄ£Å£Í£É±íÏÖ¡£
PN8160Ð¾Æ¬ÌØµã£º
¡ö רÀû¸ßѹÆô¶¯£¬ÎÞÐèÆô¶¯µç×裬´ý»ú¹¦ºÄСÓÚ50mW£»
¡ö QR-PWM + QR-PFM + Burst ModeÌá¸ßƽ¾ùЧÂÊ£¬¾«×¼¹Èµ×¿ªÍ¨Ëã·¨£¬ÇáËÉÂú×ãÁù¼¶ÄÜЧ£»
¡ö ×ÔÊÊÓ¦PWM¹¤×÷ƵÂÊ(85/65kHz)£¬¼õС±äѹÆ÷Ìå»ý£¬Ð£Õý¸ßµÍѹ¹ýÁ÷µãÒ»ÖÂÐÔ£»
¡ö ÄÚÖõçÁ÷²ÉÑù¹Ü£¬ÎÞÐèCSµç×裬½ÚÊ¡³É±¾¡¢Ìá¸ßЧÂÊ¡¢¼ò»¯²¼°å£»
¡ö µþ²ã·â×°¼¼Êõ£¬ÈÈ×è¸üС£¬24WÎÞÐèÉ¢ÈÈÆ¬£»¸ßµÍѹ½ÅλÁ½²àÅÅÁУ¬¸ü¸ß°²È«ÐÔ£»
¡ö ³¬¿íVDDµçѹ8-40V£¬ÊʺϿì³äÓ¦Óã»
¡ö È«Ãæ±£»¤¹¦ÄÜ£ºÊä³ö¹ýѹ±£»¤¡¢VDDÇ·¹ýѹ±£»¤¡¢¹ýα£»¤¡¢¹ýÔØ±£»¤¡¢Êä³ö¶þ¼«¹Ü¶Ì·µÈ±£»¤£»
¡ö ³¬¸ß¿É¿¿ÐÔ£º40V BCDƽ̨ + 690V Smart MOSFET£»HBM ESD´óÓÚ4kV£»LatchupµçÁ÷´óÓÚ200mA¡£
·â×°/¶©¹ºÐÅÏ¢
·â×°/¶©¹ºÐÅÏ¢

µäÐÍÓ¦ÓÃͼ

¡¡¡¡Ó¦ÓÃÁìÓò¡¡¡¡
¡¡¡¡¡ö ´ý»úµçÔ´¡¡¡¡
¡¡¡¡¡ö ¿ª·Åʽ¿ª¹ØµçÔ´¡¡¡¡
¡¡¡¡¡ö ÊÊÅäÆ÷
¡¡¡¡PN8160³¬µÍ´ý»ú¹¦ºÄµçԴоƬϵÁвÉÓÃSOP-8ºÍDIP8·â×°£¬ÓÐPN8160NEC-T1T¡¢PN8160NEC-T1R¡¢PN8160NEC-T1H¡¢PN8160NEC-T1M¡¢PN8160NEC-T1X¡¢PN8160SEC-R1H¼¸ÖÖ²úÆ·¹æ¸ñ£¬µäÐÍÓ¦Óù¦ÂÊ18W-24W£¬¸ü¶àpn8160оƬ¹æ¸ñÊé¡¢pn8160Ó¦Óõç·¼°pn8160Éè¼Æ×ÊÁÏÇëÏòÎÒÃÇÉêÇë¡£>>
¡¡¡¡PN8160³¬µÍ´ý»ú¹¦ºÄµçԴоƬϵÁвÉÓÃSOP-8ºÍDIP8·â×°£¬ÓÐPN8160NEC-T1T¡¢PN8160NEC-T1R¡¢PN8160NEC-T1H¡¢PN8160NEC-T1M¡¢PN8160NEC-T1X¡¢PN8160SEC-R1H¼¸ÖÖ²úÆ·¹æ¸ñ£¬µäÐÍÓ¦Óù¦ÂÊ18W-24W£¬¸ü¶àpn8160оƬ¹æ¸ñÊé¡¢pn8160Ó¦Óõç·¼°pn8160Éè¼Æ×ÊÁÏÇëÏòÎÒÃÇÉêÇë¡£>>
°¢Àï°Í°ÍµêÆÌ
¹Ø×¢æê΢
ÊÕ²Øæê΢










