ÍÆ¼ö²úÆ·
ÁªÏµÎÒÃÇ
ÉîÛÚÊÐæê΢µç×ӿƼ¼ÓÐÏÞ¹«Ë¾
µç»°£º0755-23087599
´«Õ棺0755-23082933
ÓÊÏ䣺yishanbo@leweitech.com
µØÖ·£ºÉîÛÚÊб¦°²ÇøÎ÷Ïçº×ÖÞºã·á¹¤Òµ³ÇB11¶°5Â¥¶«
CS6583_LEDºãÁ÷·Ç¸ôÀëÇý¶¯Ð¾Æ¬ CS6583
ËùÊô·ÖÀࣺ»ªÈ󻪾§
Æ·ÅÆ£º»ª¾§
ÐͺţºCS6583
·â×°£ºSOP8
¹¦ÂÊ£º15W
µçÁ÷£º
ÐͺţºCS6583
·â×°£ºSOP8
¹¦ÂÊ£º15W
µçÁ÷£º
¶©¹ºÈÈÏߣº0755-23087599
CS6583²úÆ·ÃèÊö£º
CS6583ÊÇÒ»¿îµ¥µç¸Ð·Ç¸ôÀ뽵ѹÐÍLEDºãÁ÷Çý¶¯µç·£¬¹¤×÷ÔÚµç¸ÐµçÁ÷ÁÙ½çÁ¬ÐøÄ£Ê½Ï£¬ÊÊÓÃÓÚ85Vac-265VacÈ«µçѹÊäÈ뷶Χ £¬µç·µÄ¹¤×÷µçÁ÷¼«µÍ£¬Ö»ÐèÒªºÜÉÙµÄÍâΧԪ¼þ£¬ÔڽϴóµÄ·¶Î§ÄÚ£¬ÏµÍ³µÄÊä³öµçÁ÷Óëµç¸ÐÁ¿Î޹أ¬µç·¾ßÓÐÓÅÒìµÄÏßÐÔµ÷ÕûÂʺ͸ºÔص÷ÕûÂÊ£¬½µÑ¹ÏµÍ³³É±¾¡£
CS6583²úÆ·ÌØµã£º
µ¥µç¸Ð·Ç¸ôÀ뽵ѹ½á¹¹
³¬µÍ¹¤×÷µçÁ÷
¿íÊäÈëµçѹ
ÄÚ²¿¼¯³É500V¸ßѹ¹¦ÂÊMOSFET
±5%LEDÊä³öµçÁ÷¾«¶È
LED¿ªÂ·\¶Ì·±£»¤
CS¶Ì·±£»¤
¹ýα£»¤¹¦ÄÜ
·â×°ÐÎʽ£ºSOP8(CS6583BBO¡¢CS6583BO¡¢CS6583CBO¡¢CS6583DBO)
DIP7(CS65L83BP)
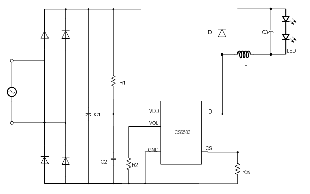
µäÐÍÓ¦ÓÃͼ

µäÐÍÓ¦ÓÃͼ

°¢Àï°Í°ÍµêÆÌ
¹Ø×¢æê΢
ÊÕ²Øæê΢










