ÍÆ¼ö²úÆ·
ÁªÏµÎÒÃÇ
ÉîÛÚÊÐæê΢µç×ӿƼ¼ÓÐÏÞ¹«Ë¾
µç»°£º0755-23087599
´«Õ棺0755-23082933
ÓÊÏ䣺yishanbo@leweitech.com
µØÖ·£ºÉîÛÚÊб¦°²ÇøÎ÷Ïçº×ÖÞºã·á¹¤Òµ³ÇB11¶°5Â¥¶«
F5311_³µ³äIC F5311
ËùÊô·ÖÀࣺ贺£ÏµÁÐ
Æ·ÅÆ£ºLH
ÐͺţºF5311
·â×°£ºESOP-8
¹¦ÂÊ£º
µçÁ÷£º1.5A
ÐͺţºF5311
·â×°£ºESOP-8
¹¦ÂÊ£º
µçÁ÷£º1.5A
¶©¹ºÈÈÏߣº0755-23087599
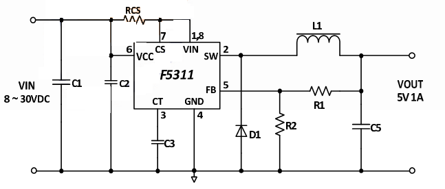
F5311²úÆ·ÃèÊö£º
F5311Êǵ¥Æ¬¼¯³Éµç·ÌṩËùÓеĻîÐÔ¹¦ÄܽµÑ¹¿ª¹ØÊ½ÎÈѹÆ÷Äܹ»ÍƸßÖÁ2¸ºÔØÏߺ͸ºÔص÷½ÚµÄÌØµã¡£8 vµÄÊäÈëµçѹ·¶Î§¿í40 v F5311Êʺϵ÷½ÚȨÁ¦´Ó¸÷ÖÖ¸÷ÑùµÄÀ´Ô´°ü À¨24 v¹¤ÒµÓÃÆ·ºÍÆû³µµç³Ø¡£ÌṩÁËÒ»¸öÍêÕûµÄÉè¼ÆÊ¹ÓÃ×îСÊýÁ¿µÄÍⲿ×é¼þ¡£»¹½¨Á¢ÁËÔڿɱà³ÌÈíÆô¶¯ÊäÈë¹ýÁ÷±£»¤¡¢Êä³ö¶Ì·±£»¤ºÍÈȹػú¹¦ÄÜ¡£5V 1A СÌå»ý³µ³ä·½°¸
F5311²úÆ·ÌØµã£º
1¡¢µç·¼òµ¥£¬²úÆ·Ìå»ýС
2. оƬ¼Û¸ñ³¬µÍ£¬²úÆ·×ܳɱ¾³¬µÍ
3. ʵ¼ÊÊä³öµçÁ÷¿É´ï±ê×¼1A£¬ÊäÈëµçѹ8-36V1
4. оƬ²ÉÓÃESOP-8·â×°£¬¾ßÓйýα£»¤µÈ¹¦ÄÜ
5. ÎÞÐè¼Ó¹²Ä£µç¸ÐµÈͨ¹ýCEFCCEMIµÈÈÏÖ¤
µäÐÍÓ¦ÓÃͼ

F5311Êǵ¥Æ¬¼¯³Éµç·ÌṩËùÓеĻîÐÔ¹¦ÄܽµÑ¹¿ª¹ØÊ½ÎÈѹÆ÷Äܹ»ÍƸßÖÁ2¸ºÔØÏߺ͸ºÔص÷½ÚµÄÌØµã¡£8 vµÄÊäÈëµçѹ·¶Î§¿í40 v F5311Êʺϵ÷½ÚȨÁ¦´Ó¸÷ÖÖ¸÷ÑùµÄÀ´Ô´°ü À¨24 v¹¤ÒµÓÃÆ·ºÍÆû³µµç³Ø¡£ÌṩÁËÒ»¸öÍêÕûµÄÉè¼ÆÊ¹ÓÃ×îСÊýÁ¿µÄÍⲿ×é¼þ¡£»¹½¨Á¢ÁËÔڿɱà³ÌÈíÆô¶¯ÊäÈë¹ýÁ÷±£»¤¡¢Êä³ö¶Ì·±£»¤ºÍÈȹػú¹¦ÄÜ¡£5V 1A СÌå»ý³µ³ä·½°¸
F5311²úÆ·ÌØµã£º
1¡¢µç·¼òµ¥£¬²úÆ·Ìå»ýС
2. оƬ¼Û¸ñ³¬µÍ£¬²úÆ·×ܳɱ¾³¬µÍ
3. ʵ¼ÊÊä³öµçÁ÷¿É´ï±ê×¼1A£¬ÊäÈëµçѹ8-36V1
4. оƬ²ÉÓÃESOP-8·â×°£¬¾ßÓйýα£»¤µÈ¹¦ÄÜ
5. ÎÞÐè¼Ó¹²Ä£µç¸ÐµÈͨ¹ýCEFCCEMIµÈÈÏÖ¤
µäÐÍÓ¦ÓÃͼ

°¢Àï°Í°ÍµêÆÌ
¹Ø×¢æê΢
ÊÕ²Øæê΢










