È«²¿²úÆ··ÖÀà
¼¯³Éµç·IC
- ÓÅÊÆ²úÆ·
- Chipown/оÅó΢
- оÅóµç»úÇý¶¯Ð¾Æ¬
- SLAN/Ê¿À¼Î¢
- CR/Æô³¼Î¢
- FM/¸»ÂúϵÁÐ
- SF/ÈüÍþоƬ
- XL/оÁúϵÁÐ
- LW/æê΢
³¡Ð§Ó¦¹Ü/MOS/IGBT
¶þ¼«¹Ü
Èý¼«¹Ü

ÍÆ¼ö²úÆ·
ÁªÏµÎÒÃÇ

ÉîÛÚÊÐæê΢µç×ӿƼ¼ÓÐÏÞ¹«Ë¾
µç»°£º0755-23087599
ÊÖ»ú£º13808858392
ÓÊÏ䣺dunianhua@leweitech.com
µØÖ·£ºÉîÛÚÊб¦°²ÇøÎ÷Ïçº×ÖÞºã·á¹¤Òµ³ÇB11¶°5Â¥¶«
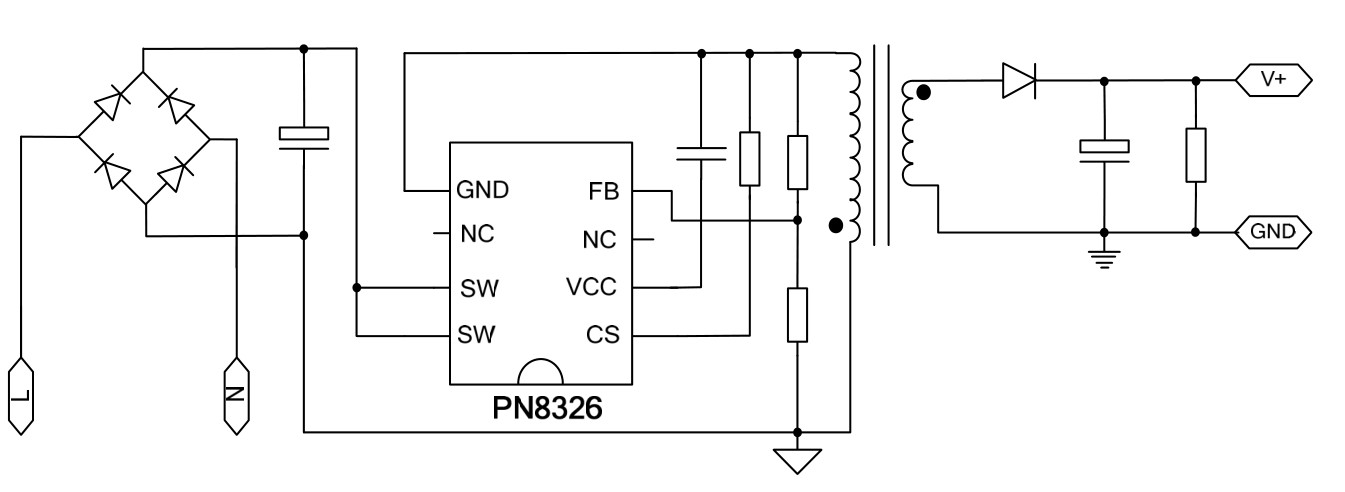
PN8326 LEDºãÁ÷ÍâÖÃÇý¶¯Ð¾Æ¬
ËùÊô·ÖÀࣺChipown/оÅó΢
Æ·ÅÆ£ºÐ¾Åó΢
ÐͺţºPN8326
·â×°£ºDIP8
¹¦ÂÊ£º18W
µçÁ÷£º2.4A-3A
ÐͺţºPN8326
·â×°£ºDIP8
¹¦ÂÊ£º18W
µçÁ÷£º2.4A-3A
¶©¹ºÈÈÏߣº0755-23087599
¡¡¡¡PN8326²úÆ·ÃèÊö£º¡¡¡¡
¡¡¡¡PN8326°üÀ¨¸ß¾«¶ÈµÄºãÁ÷Ա߿ØÖÆÆ÷¼°¹¦ÂÊMOSFET£¬×¨ÓÃÓڸ߿ɿ¿¡¢¸ôÀëË«ÈÆ×é¡¢¼«¾«¼òÍâΧԪÆ÷¼þµÄÖÐС¹¦ÂÊLEDÕÕÃ÷¡£¸ÃоƬ¹¤×÷ÔÚԱߵ÷Õûģʽ£¬¿ÉÊ¡ÂÔ¹âñî¡¢TL431£»²ÉÓÃÁË¿ìËÙDMOS×Ô¹©µçµÄרÀû¼¼Êõ¿É½ÚÊ¡±äѹÆ÷¸¨ÖúÈÆ×éºÍ¸ßѹÆô¶¯µç×è¡£¸ÃоƬÌṩÁ˼«ÎªÈ«ÃæµÄ×Ô»Ö¸´±£»¤¹¦ÄÜ£¬°üº¬ÖðÖÜÆÚ¹ýÁ÷±£»¤¡¢¿ª»·±£»¤¡¢¹ýα£»¤¡¢Rcs¿ª/¶Ì·±£»¤ºÍLED¿ª/¶Ì·±£»¤µÈ¡£ÄÚÖøßѹÆô¶¯µç·ºÍ¼«µÍµÄоƬ¹¦ºÄÓÐÖúÓÚ»ñÈ¡½Ï¸ßµÄ¹¤×÷ЧÂÊ¡£ÔÚºãÁ÷ģʽÏ£¬µçÁ÷ºÍÊä³ö¹¦ÂÊ¿Éͨ¹ýCS½ÅµÄRsµç×è½øÐе÷½Ú¡£
¡¡¡¡
¡¡¡¡PN8326²úÆ·ÌØµã£º¡¡¡¡
¡¡¡¡¡ö ÄÚÖÃ700V¸ßÑ©±ÀÄÜÁ¦µÄ¹¦ÂÊMOSFET¡¡¡¡
¡¡¡¡¡ö ÄÚÖøßѹÈíÆô¶¯µç·¿É½ÚÊ¡ÍⲿÆô¶¯µç×è¡¡¡¡
¡¡¡¡¡ö Ա߷´À¡ºÍµ÷½Ú¼¼Êõ¿É½ÚÊ¡¹âñîºÍTL431¡¡¡¡
¡¡¡¡¡ö ¿ìËÙ×Ô¹©µçרÀû¼¼ÊõÎÞÐè±äѹÆ÷¸¨ÖúÈÆ×é¡¡¡¡
¡¡¡¡¡ö רÀûµÄÄÚÖÃÏßµçѹ²¹³¥µç·¡¡¡¡
¡¡¡¡¡ö ±3% LEDºãÁ÷¾«¶È¡¡¡¡
¡¡¡¡¡ö ºãÁ÷Êä³öÖµ¿Éµ÷¡¡¡¡
¡¡¡¡¡ö 0.5%Ïßµçѹ²¹³¥¾«¶È¡¡¡¡
¡¡¡¡¡ö ÄÚÖÃԱߵç¸ÐÁ¿²¹³¥µç·¡¡¡¡
¡¡¡¡¡ö ÓÅÒìÈ«ÃæµÄ±£»¤¹¦ÄÜ¡¡¡¡
¡¡¡¡ ¹ýα£»¤ (OTP) ¡¡¡¡
¡¡¡¡ ÖðÖÜÆÚ¹ýÁ÷±£»¤ (OCP)¡¡¡¡
¡¡¡¡ LED¿ª/¶Ì·±£»¤
¡¡¡¡¡¡ רÀûµÄCSµç×迪/¶Ì·±£»¤¡¡¡¡
¡¡¡¡ °²È«×Ô¶¯»Ö¸´Ä£Ê½¡¡¡¡
¡¡¡¡PN8326·â×°/ ¶©¹ºÐÅÏ¢£º¡¡
¡¡
¡¡¡¡PN8326µäÐÍÓ¦ÓÃͼ£º